это быстро и бесплатно
Оформите заказ сейчас и получите скидку 100 руб.!
ID (номер) заказа
5251180
Ознакомительный фрагмент работы:
Задание № 1
При выполнении этого задания необходимо провести расчеты для изготовления изделия типа «колпачок» из плоской заготовки методом вытяжки без утонения стенок, необходимые формулы и пояснения даны далее по тексту.
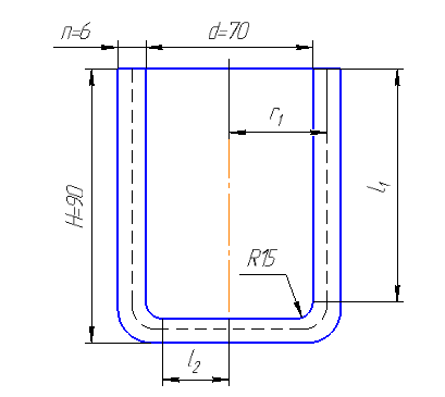
Исходные данные:
обрабатываемый материал сталь 20,
предел прочности σв=480 МПа,
относительное удлинение δ=30%,
коэффициент первой вытяжки Кв1=1,5,
коэффициент последующих вытяжек Квn=1,2,
диаметр d=70 мм,
высота Н=90 мм,
толщина стенки n=6 мм,
радиус скругления r=15 мм,
отжиг при глубокой вытяжке -.

1. Расшифровывать марку сплава
Колпачок изготовлен из стали 20.
Расшифровка обозначения:
Сталь конструкционная, углеродистая, качественная,
Содержание углерода 0.2 %.
2. Рассчитать диаметр заготовки
Условием для определения диаметра заготовки является равенство объёмов детали и заготовки. При вытяжке без утонения стенок толщина заготовки практически не изменяется, поэтому диаметр заготовки может быть определён из условия равенства площадей поверхности заготовки и изделия.
Сделайте индивидуальный заказ на нашем сервисе. Там эксперты помогают с учебой без посредников
Разместите задание – сайт бесплатно отправит его исполнителя, и они предложат цены.
Цены ниже, чем в агентствах и у конкурентов
Вы работаете с экспертами напрямую. Поэтому стоимость работ приятно вас удивит
Бесплатные доработки и консультации
Исполнитель внесет нужные правки в работу по вашему требованию без доплат. Корректировки в максимально короткие сроки
Гарантируем возврат
Если работа вас не устроит – мы вернем 100% суммы заказа
Техподдержка 7 дней в неделю
Наши менеджеры всегда на связи и оперативно решат любую проблему
Строгий отбор экспертов
К работе допускаются только проверенные специалисты с высшим образованием. Проверяем диплом на оценки «хорошо» и «отлично»
Работы выполняют эксперты в своём деле. Они ценят свою репутацию, поэтому результат выполненной работы гарантирован
Ежедневно эксперты готовы работать над 1000 заданиями. Контролируйте процесс написания работы в режиме онлайн
Теория вероятностей 9 класс , тесты
Решение задач, Теория вероятностей и математическая статистика
Срок сдачи к 23 февр.
Написать индивидуальное сообщение на тему: средние века
Другое, Мировая Отечественная художественная культура
Срок сдачи к 23 февр.
Отчёт полный факторный эксперимент первого порядка пфэ
Другое, Методология, электротехника
Срок сдачи к 23 февр.
Выполнить курс "Начертательная геометрия и инженерная графика 2.2". М-08603
Контрольная, Начертательная геометрия и инженерная графика
Срок сдачи к 21 мар.
Конфигурирование и настройка аппаратно-программных офисных...
Курсовая, МДК, информатика, электротехника
Срок сдачи к 24 февр.
Организация местного самоуправления( на примере своего поселения, муниципального района, городского округа)
Реферат, Муниципальное управление и местное самоуправление
Срок сдачи к 12 мар.
Презентация на 18 слайдов
Презентация, Стратегический менеджмент и управление проектами в государственном управлении
Срок сдачи к 3 апр.
И. В. Витте, Выбрать тему, сделать задание по рекомендациям
Курсовая, Гражданское право
Срок сдачи к 15 мая
Дипломная работа на тему «Методика применения компьютерных обучающих программ на уроках английского языка»
Диплом, Педагогика и Английский язык
Срок сдачи к 13 апр.
Заполните форму и узнайте цену на индивидуальную работу!