это быстро и бесплатно
Оформите заказ сейчас и получите скидку 100 руб.!
ID (номер) заказа
6155722
Ознакомительный фрагмент работы:
Вариант 3
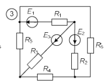
Задача 1. Используя законы Ома и Кирхгофа, определить все токи и напряжения в исходной схеме. Для проверки правильности расчета составить уравнения баланса мощностей.

Рисунок 1 – Расчетная схема
Исходные данные:
|
|
|
|
|
|
|
|
|
|
|
9 |
25 |
13 |
100 |
120 |
80 |
30 |
35 |
40 |
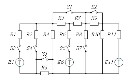
Задача 2
В схеме рис. 2 Е1 = 60 В, Е6 = 120 В, Е11 = 90 В, R1 = 4 Ом, R2 = 65 Ом, R3 = 9 Ом, R6 = 12 Ом, R8 = 48 Ом, R9 = 5 Ом. Значения остальных сопротивлений даны в таблице 2. Начертить расчетную электрическую схему, получающуюся при замыкании ключей, указанных в таблице 2.
Упростить схему, заменяя последовательно и параллельно соединенные сопротивления эквивалентными, используя при необходимости преобразование треугольника сопротивлений в эквивалентную звезду. Полученную схему с двумя узлами рассчитать методом узлового напряжения, определить величину и направление токов в источниках. Зная токи источников, используя закону Ома и Кирхгофа, определить все токи и напряжения в исходной расчетной схеме. Для проверки правильности расчета составить для исходной схемы уравнение баланса мощностей.

Рисунок 1 – Расчетная схема
Исходные данные:
|
|
|
|
|
|
Замкнуты ключи |
|
24 |
22 |
8 |
18 |
12 |
S1, S6, S7 |
Сделайте индивидуальный заказ на нашем сервисе. Там эксперты помогают с учебой без посредников
Разместите задание – сайт бесплатно отправит его исполнителя, и они предложат цены.
Цены ниже, чем в агентствах и у конкурентов
Вы работаете с экспертами напрямую. Поэтому стоимость работ приятно вас удивит
Бесплатные доработки и консультации
Исполнитель внесет нужные правки в работу по вашему требованию без доплат. Корректировки в максимально короткие сроки
Гарантируем возврат
Если работа вас не устроит – мы вернем 100% суммы заказа
Техподдержка 7 дней в неделю
Наши менеджеры всегда на связи и оперативно решат любую проблему
Строгий отбор экспертов
К работе допускаются только проверенные специалисты с высшим образованием. Проверяем диплом на оценки «хорошо» и «отлично»
Работы выполняют эксперты в своём деле. Они ценят свою репутацию, поэтому результат выполненной работы гарантирован
Ежедневно эксперты готовы работать над 1000 заданиями. Контролируйте процесс написания работы в режиме онлайн
15 страниц Антиплагиат нужен, но никакой информации не знаю
Курсовая, Ведении информационной безопасности и нормативной обеспечении отросли
Срок сдачи к 11 февр.
Курсовая работа по дисциплине «основы управления рисками»
Курсовая, Основы управления рисками
Срок сдачи к 6 февр.
Стандартизация бизнес процессов предприятий сферы гостеприимства и общественного питания
Отчет по практике, «Инновационные технологии управления гостиничным бизнесом»
Срок сдачи к 6 февр.
Выполнить практические в autoCAD
Чертеж, Компьютерное моделирование рудных месторождений
Срок сдачи к 18 февр.
«Влияние искусственного интеллекта на юнит-экономику цифровых продуктов
Статья, 1
Срок сдачи к 5 февр.
Выполнить по одному заданию по высшей математике из каждой лабораторной в файле
Контрольная, Высшая математика
Срок сдачи к 9 февр.
на тему: Оценка эффективности применения антибиотиков и...
Курсовая, по МДК 02.02 Методики клинической диагностики и лечения внутренних незаразных болезней
Срок сдачи к 13 февр.
Расчёт потребного числа транспортных средств (трубовозов)
Решение задач, Нефтегазовое дело
Срок сдачи к 5 февр.
Выполнить контрольную работу 8 варианта согласно методическим указаниям
Контрольная, Инжереная геодезия
Срок сдачи к 8 февр.
«Обеспечение организации системы безопасности предприятия» страниц...
Курсовая, Введение в информационную безопасность и нормативное обеспечение отрасли
Срок сдачи к 12 февр.
Курсовая работа по дисциплине «основы психологического консультирования» "консультативная поддержка клиента, переживающего утрату»
Курсовая, Клиническая психология
Срок сдачи к 16 февр.
Контрольное задание (swot анализ)
Другое, Стратегический анализ и управление развитием организации
Срок сдачи к 8 февр.
Заполните форму и узнайте цену на индивидуальную работу!