это быстро и бесплатно
Оформите заказ сейчас и получите скидку 100 руб.!
ID (номер) заказа
6289074
Ознакомительный фрагмент работы:
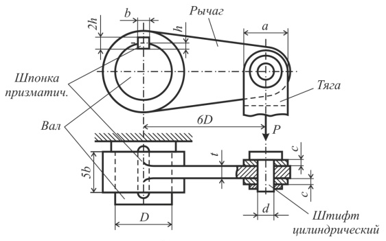
ЗАДАЧА № 35
Для одного из соединений из условных расчетов на прочность (при растяжении, сжатии, кручении, срезе и смятии) определить указанные на рисунке размеры и уточнить их в соответствии с ГОСТ 6636–69.
Выполнить чертеж соединения на листе формата А4.
Принять: материал пластичный (сталь), [σ]=100МПа, [τ]=0,5[σ]=50МПа [τ]ср=0,8[σ]=80МПа, [σ]см = 2[σ]=200МПа.
Таблица исходных данных
|
Р, кН |
40 |
|
№ схемы |
IХ |

Сделайте индивидуальный заказ на нашем сервисе. Там эксперты помогают с учебой без посредников
Разместите задание – сайт бесплатно отправит его исполнителя, и они предложат цены.
Цены ниже, чем в агентствах и у конкурентов
Вы работаете с экспертами напрямую. Поэтому стоимость работ приятно вас удивит
Бесплатные доработки и консультации
Исполнитель внесет нужные правки в работу по вашему требованию без доплат. Корректировки в максимально короткие сроки
Гарантируем возврат
Если работа вас не устроит – мы вернем 100% суммы заказа
Техподдержка 7 дней в неделю
Наши менеджеры всегда на связи и оперативно решат любую проблему
Строгий отбор экспертов
К работе допускаются только проверенные специалисты с высшим образованием. Проверяем диплом на оценки «хорошо» и «отлично»
Работы выполняют эксперты в своём деле. Они ценят свою репутацию, поэтому результат выполненной работы гарантирован
Ежедневно эксперты готовы работать над 1000 заданиями. Контролируйте процесс написания работы в режиме онлайн
1. Предмет исследования - как тема. 2. Проблему перенести перед целью
Курсовая, gcb[jkjubz
Срок сдачи к 24 мая
Спроектировать переднюю подвеску типа Мак-Ферсон для легкового автомобиля собственной массой 995 кг
Курсовая, Конструкция и эксплуатационные свойства автомобилей
Срок сдачи к 1 июня
Тема: особенности синхронного плавания
Курсовая, Теория и методика избранного вида спорта
Срок сдачи к 26 мая
Газоснабжение частного сектора от пункта редуцирования ...
Курсовая, Междисциплинарный курс
Срок сдачи к 20 мая
2 лабораторные работы по Теории корабля и гидромеханике
Лабораторная, Теория корабля и гидромеханика
Срок сдачи к 22 мая
Обязанности, права, запреты и ответственность государственных...
Курсовая, Государственная и муниципальная служба
Срок сдачи к 26 мая
Сделать презентацию по теме «Экстрагенитальная патология и беременность»
Презентация, Медицина
Срок сдачи к 21 мая
Письменные вопросы и задачи
Решение задач, Осуществление субъективных гражданских прав
Срок сдачи к 25 мая
Сделать презентацию по теме « организация гинекологической помощи в рф. профилактические осмотры женского населения. формирование репродуктивной системы женщины»
Презентация, Медицина
Срок сдачи к 21 мая
Нужен дневник по практике. Индивидуальное задание еще должны дать
Отчет по практике, Юриспруденция
Срок сдачи к 20 июня
Написать отчет по преддипломной практике с перспективой написания диплома
Отчет по практике, Бухгалтерский учет
Срок сдачи к 24 мая
Заполните форму и узнайте цену на индивидуальную работу!